En el área de ingeniería y documentación, VMI le ofrece:
Asesoría técnica: Le ayudamos a dar forma a sus proyectos, poniendo a su disposición un amplio abanico de herramientas tecnológicas.
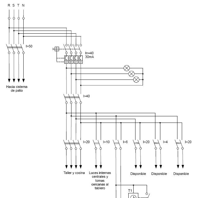
Diseño: Generamos los diagramas y cálculos iniciales que permiten crear la lista de compras de materiales para armar su sistema.
Procura de materiales: Le ayudamos a buscar los mejores dispositivos y accesorios al mejor precio que pueda ofrecer el mercado.
Documentación: Al finalizar el proyecto encomendado, le entregamos diagramas y docuemntos que explican cómo está conectada y cómo funciona cada parte del sistema.
Enlaces técnicos: Cuando en un proyecto intervienen terceras compañías, nos encargamos de hacer los enlaces necesarios para que la información fluya de manera eficaz.
Cimentando las bases de una buena idea
Cuando se contrata a un profesional técnico se espera resolver una situación que requiere de su experticia. Parece ser una situación fácil de controlar, hasta que el presupuesto inicial empieza a salirse de control, los tiempos para solucionar se alargan, y quedan pendientes varios detalles al finalizar el trabajo. Cuando se decide cambiar de profesional, todo empieza otra vez.
VMI es una compañía que trabaja con estándares. Es decir, sin importar las dimensiones del trabajo encomendado, se aplican los métodos que garanticen la calidad del producto entregado y la satisfacción del cliente. En particular se pone énfasis en reducir los tiempos de espera y las posibles incomodidades que pueda sufrir el cliente por la ejecución del trabajo.
Por último, VMI no solo considera el ahora sino también el futuro: por ejemplo, si se trata de una instalación eléctrica, se dejan las previsiones en caso que el cliente requiera crecer más adelante.
Buscamos las mejores opciones
En pos de adaptarnos al presupuesto del cliente y seguir manteniendo la calidad del trabajo realizado, nos encargamos de hacer los contactos con las tiendas y fábricas. Como norma, siempre solicitamos cotizaciones a 3 proveedores, con lo cual podemos tener una mejor visión del mercado. No solo miramos precios, sino calidad, tiempo de entrega y condiciones de garantía.
También ayudamos al cliente a tomar decisiones. Quizás modificando un poco sus requerimientos iniciales se logre un mejor producto al final, con una poco inversión.
Documentamos su proyecto
Así como todo individuo cuenta con documentos que comprueban su identidad, sus estudios y su historia clínica, todo proyecto eléctrico debería contar con ellos.
Desde que VMI inicia un proyecto siempre genera documentos con información que es útil para el cliente. Entre estos documentos destacan los diagramas eléctricos, que son muy importantes para buscar fallas o hacer ampliaciones en el futuro.
Sobre este sitio
VMI Servicios es una división de VMI Global SAS, dirigida a prestar servicios de ingeniería a clientes industriales, comerciales y residenciales.